ELEKTROMECHANISCHE ZWEI SAULEN-HEBEBUEHNEN SCHEWELLENFREI
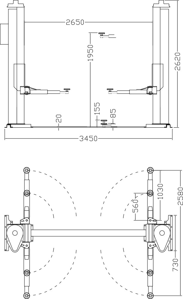
- Die hebebühnen mit unhabängigen säulen sind realisiert um einen vollig freien bereich unter der kraftfahrzeug zu haben
- Ein metallseil und ein elektrisches spezial system sichern die synchronbewegung der wagen in der hub-und senkphase
- Trage und sicherheitsspiralen aus selb stschmierendem und verschleißfesten spezialwerkstoff
- Die gestelle bewegen sich auf rädern
- Teleskopierbare tragarme mit automatischer drehblockierung
- Fußschutz – vorrichtung
- Elektrische schutzvorrichtung
- Mechanische schutzvorrichtung
- Die hebebühne ist genehmigt, um die lastreversibilität zu ermöglichen
- CE-zulassung komplett mit elektromagnetischer kompatibilität

- Z52C/3SL

- Z4 optional
- Leistung – Capacidad Kg 3.500
- Motor – Motor Kw 1,1+1,1
- Spannung – Voltage – Voltaje V 380 50/60 hz
- Hubzeit – Tiempo de subida m/sec. 0,033
- Senkseit – Tiempo de bajada m/sec. 0,033
Nutzen Sie unsere günstige Leasing-Finanzierungsmöglichkeit!
Leasing mit vielen Vorteilen – das ist Classic Lease. Verschaffen Sie sich mit topmoderner Ausstattung den Vorsprung im Wettbewerb. Flexibel und zu günstigen Raten. Genießen Sie die Freiheit, sofort das Richtige zu tun: Bei Classic Lease wählen Sie einfach die gewünschte Grundmietzeit ohne Restwert-Zahlung und los geht’s. Ihre Vorteile: Planungssicherheit, niedrige Raten und Entscheidungsfreiheit am Ende der Grundmietzeit.
Nutzen Sie unsere günstige Kreditkauf
Schnell und einfach zur finanziellen Freiheit – weil manche Wünsche nicht warten können.